Toyota 4runner Body Parts Diagram

2019 Toyota 4runner Limited Forum

Toyota 4runner Dimensions
toyota4runnerjapan.blogspot.com

Silver 4runners Pics Page 24 Toyota 4runner Forum Largest 4runner Forum Toyota 4runner Toyota 4runner
www.pinterest.com

Neqkt1bdqpzonm

1989 Toyota 4runner Ii 3 0 V6 Ficha Tecnica 2nv8j71j7rlk
idoc.pub

Toyota 4runner Green
toyota4runnerjapan.blogspot.com

Cbi Rear Bumper Installed Toyota 120 Platforms Forum
www.toyota120.com

Afsocc91 sep 30 2020 at 218 pm new member introductions.

2019 toyota 4runner limited forum. On many levels we see that as a good thing on other not so much. We have 187 2019 toyota 4runner limited edition vehicles for sale that are reported accident free 190 1 owner cars and 188 personal use cars. Search over 14200 listings to find the best local deals.

Discussion forum for 4runner owners. The 2019 toyota 4runner is a midsize suv available in seven trim levels. Save 8091 on a 2019 toyota 4runner limited near you.

You may have to register before you can post. Every used car for sale comes with a free carfax report. Learn about your truck and talk with other owners.

25 city33 hwy28 combined mpg for xle awd xle premium awd adventure and limited awd. See good deals great deals and more on a used toyota 4runner. To start viewing messages select the forum that you want to visit from the selection below.

Search from 7436 used toyota 4runner cars for sale including a 2018 toyota 4runner 4wd a 2018 toyota 4runner trd off road and a 2019 toyota 4runner trd pro. We analyze millions of used cars daily. Official 2021 toyota 4runner site.

Click the register link above to proceed. 27 city34 hwy30 combined mpg for le awd. Hello from northeast mesa.

Sr5 sr5 premium trd off road trd off road premium trd pro limited and limited nightshade. All share the same 40 liter. If this is your first visit be sure to check out the faq by clicking the link above.

Find a new 4runner at a toyota dealership near you or build price your own toyota 4runner online today. 2019 4th gen 4runners 2003 2009 replies. Galacticowl sep 30 2020 at 243 pm.

Welcome to the toyota 4runner forum largest 4runner forum. The 2019 toyota 4runner doesnt see much in the way of change for this model year.

The Truth About The Toyota 4runner S V8 Problems
www.motorbiscuit.com

Aging Toyota 4runner Is More Popular Than Ever The Spokesman Review
www.spokesman.com

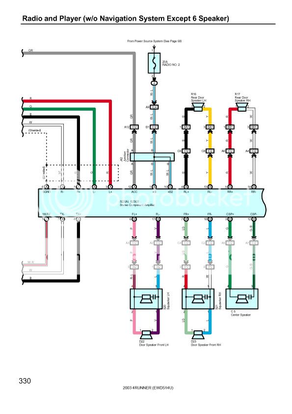
Diagram 98 4runner Limited Wiring Diagram Full Version Hd Quality Wiring Diagram Kitprogschematic8127 Beautywell It
kitprogschematic8127.beautywell.it

Suzuki Jimny 2019 Offroad Forum Cz
www.offroadforum.cz

2021 Toyota Sequoia Trd Sport Limited 4wd Trd Pro Full Review Spirotours Com
spirotours.com

Toyota 4runner Seat Covers 1998 Leather 1999 2005 Anunfinishedlifethemovie Com
www.anunfinishedlifethemovie.com

Next Gen 2022 Toyota 4runner Coming And Enthusiasts Offer Redesign Suggestions Torque News
www.torquenews.com

2020 Toyota 4runner Review Price Specs Features And Photos Autoblog
www.autoblog.com

1997 Toyota 4runner Limited Overland Build 9000 Ventura Ca Expedition Portal
expeditionportal.com

Nightshade 2019 4runner Toyota Nation Forum
www.toyotanation.com

The Most Common Toyota 4runner Complaints After 100 000 Miles
www.motorbiscuit.com

5th Gen Toyota 4runner Purchase Question Expedition Portal
expeditionportal.com

Just Got A 2011 Sr5 Toyota 4runner Forum Largest 4runner Forum
www.toyota-4runner.org

Leveling Kits And Tires Toyota 4runner Forum 4runners Com
www.4runners.com

2000 Toyota 4runner Limited 2wd For Sale Nissan Titan Forum
www.titantalk.com

Sold 2019 4runner Limited Grey 30 Months 31k Miles 485 Tax After Incentive Private Transfers Leasehackr Forum
forum.leasehackr.com

Custom Wrapped Front Grille Toyota 4runner Forum 4runners Com
www.4runners.com

5th Gen Builds 2010 Toyota 4runner Forum 4runners Com
www.4runners.com

Tn 1818 1992 Toyota 4runner Front Steering Wiring Diagram
unbe.tool.intap.hylec.greas.hete.subd.hendil.mohammedshrine.org

403 Forbidden Toyota 4runner Trd 4runner Toyota 4runner
www.pinterest.com

The Most Common Toyota 4runner Complaints After 100 000 Miles
www.motorbiscuit.com

Sold Ca Supercharged 2001 Toyota 4runner 4wd Limited Ih8mud Forum
forum.ih8mud.com

Neqkt1bdqpzonm

Pin By Brandon Perry On 4runner Stuff Toyota 4runner 4runner Toyota Trucks
www.pinterest.com

2018 2019 New Toyota Supra Forum Ma70 Supra Hd Png Download 1700x350 4042865 Pngfind
www.pngfind.com

Toyota 4runner Voodoo Blue
toyota4runnerjapan.blogspot.com

Builds Steel City Racing King Of The Hammers 2019 Toyota 4runner Ifs 4600 Build Thread Ih8mud Forum
forum.ih8mud.com

Https Encrypted Tbn0 Gstatic Com Images Q Tbn 3aand9gcqvpyrevboxxoatvwqwhonbt0iw Pjzxyc9ogaw1rwpjmsclcah Usqp Cau
encrypted-tbn0.gstatic.com

Https Encrypted Tbn0 Gstatic Com Images Q Tbn 3aand9gct8vzmf57aqjounpu9qfwmhhbe5x2d65aidinbjrbeagwbmp 3r Usqp Cau
encrypted-tbn0.gstatic.com

Suzuki Jimny 2019 Offroad Forum Cz
www.offroadforum.cz

3
encrypted-tbn0.gstatic.com

403 Forbidden Toyota 4runner Trd Toyota 4runner Toyota Runner
www.pinterest.com

Yota Tech Forum Member Has Questions About Suspension Yotatech
www.yotatech.com

2016 4runner Limited Toyota 4runner Forum 4runners Com
www.4runners.com

Toyota 4runner Voodoo Blue
toyota4runnerjapan.blogspot.com

Lift Kit To Get Toyota 4runner Forum 4runners Com Top Car Release 2020
www.aquaticparasitologylab.org

Aging Toyota 4runner Is More Popular Than Ever The Spokesman Review
www.spokesman.com

2nd Gen 4runner Diff Lockers Ih8mud Forum
forum.ih8mud.com

6 Inch Lift On 5th Gens Toyota 4runner Forum Largest 4runner Forum
www.toyota-4runner.org

Diagram 1986 Toyota 4runner Wiring Diagram Full Version Hd Quality Wiring Diagram K7400schematic9373 Beautywell It
k7400schematic9373.beautywell.it

2019 Toyota 4runner Prices Reviews Pictures U S News World Report
cars.usnews.com

5th Gen 4runner Double Din
www.residenzaflavio.com

Sold 2019 4runner Limited Grey 30 Months 31k Miles 485 Tax After Incentive Private Transfers Leasehackr Forum
forum.leasehackr.com

1986 Toyota 4runner Starter Wiring Diagram Diagram Base Website Wiring Diagram Simpleheartdiagram Inadda It
simpleheartdiagram.inadda.it

2019 Trd Off Road Toyota 4runner Forum Largest 4runner Forum
www.toyota-4runner.org

2021 Toyota 4runner Review Pricing And Specs
www.caranddriver.com

Post Your Lifted Pix Here Toyota 4runner Forum Largest 4runner Forum
www.toyota-4runner.org

Just Ordered 2019 4runner Limited Nightshade Toyota 4runner Forum 4runners Com
www.4runners.com

Https Encrypted Tbn0 Gstatic Com Images Q Tbn 3aand9gctvb08snemh8h032t84x52b 2llrdpmea6llk55pqbcfymfp9ex Usqp Cau
encrypted-tbn0.gstatic.com

Trd 4runner Wheels Vs Aftermarket 5th Gen 4runner Wheels
trail4runner.com

1998 Toyota 4runner Weekend Warrior Camping Off Road Vehicle Barf Bay Area Riders Forum
bayarearidersforum.com

Roof Bars Toyota 4runner Forum Toyota 4runner Enthusiasts Forum
www.4runnerforum.com

2019 Toyota 4runner Trd Offroad Premium Grassroots Motorsports Forum
grassrootsmotorsports.com

4runner Battle 2019 Limited Vs Nightshade Youtube
m.youtube.com

2021 Toyota 4runner Forum For Sale Gas Mileage Spirotours Com
spirotours.com

Gx460 Build Thread
pagespeedup.co

5th Gen T4r Owner S Picture Thread Page 170 Toyota 4runner Forum Largest 4runner Forum Toyota 4runner 4runner Toyota
www.pinterest.com

Aging Toyota 4runner Is More Popular Than Ever The Spokesman Review
www.spokesman.com

403 Forbidden Toyota 4runner Toyota 4runner Trd 4runner
www.pinterest.com

New Trd Pro 4runner Ih8mud Forum
forum.ih8mud.com

Toyota 4runner Mods
toyota4runnerjapan.blogspot.com

Portland Or Fs 2011 Toyota 4runner Limited Overland Built And Arb Locked Expedition Portal
expeditionportal.com

Neznicitelna Auta Podle Americanu Maji Vydrzet Nejdele U Nas Jich Koupite Jen Par Autoforum Cz
www.autoforum.cz

5th Gen 4runner Roof Racks Full Length 3 4 Length Basket Racks
trail4runner.com

What Spark Plugs You Guys Runnin Ngk Or Denso Toyota 4runner Forum Largest 4runner Forum Eljqj1ko3x41
idoc.pub

Next Gen 2022 Toyota 4runner Coming And Enthusiasts Offer Redesign Suggestions Torque News
www.torquenews.com

Icon Alloys Rebound Wheels Well Suited For Off Road Toyota 4runner Forum Largest 4runner Forum Toyota 4runner 4runner Toyota 4runner Trd
www.pinterest.com

Toyota 4runner Trd Pro 24 12 495 Month Tax W First And Plates Das Share Deals Tips Leasehackr Forum
forum.leasehackr.com

Itsdchz 2015 Sr5 P Build Thread Toyota 4runner Forum Largest 4runner Forum
www.toyota-4runner.org

2021 Toyota 4runner Forum For Sale Gas Mileage Spirotours Com
spirotours.com

Limited Edition Mod Thread Page 7 Toyota 4runner Forum Largest 4runner Forum 4runner Toyota 4runner 4runner Mods
www.pinterest.com

Bpwwer S 2015 Limited Build And Drive Thread Toyota 4runner Forum Largest 4runner Forum
www.toyota-4runner.org

Ow 2538 Toyota 4runner Rear Tailgate Diagram On Toyota Tailgate Parts Diagram Wiring Diagram
unho.strai.aeocy.wned.ponge.romet.dness.xortanet.emba.mohammedshrine.org

Tn 1818 1992 Toyota 4runner Front Steering Wiring Diagram
unbe.tool.intap.hylec.greas.hete.subd.hendil.mohammedshrine.org

Post Your Lifted Pix Here Page 28 Toyota 4runner Forum Largest 4runner Forum Toyota 4runner Toyota 4runner
www.pinterest.com

March Toyota 4runner And Highlander Deals In New England Low Mid 4s With Only First Das Marketplace Leasehackr Forum
forum.leasehackr.com

The Ultimate 4th Gen Toyota 4runner Buyers Guide
canadiangearhead.com

Diagram 2002 Toyota 4runner Fuse Box Full Version Hd Quality Fuse Box Fusestate861 Labiciarquata It
fusestate861.labiciarquata.it

Biggest Tires On Stock 4runner Biggest Tires On 4runner With Lift Kit
trail4runner.com

Toyota 4runner Dimensions
toyota4runnerjapan.blogspot.com

Toyota 4runner Questions What Will Cause A Steering Wheel Shimmy At 60 65mph Other Than Tires Cargurus
www.cargurus.com

2020 Toyota 4runner Trd Pro Army Green Toyota Cars Models
toyotacarsmodels.com

Toyota 4runner Limited Deal Ask The Hackrs Leasehackr Forum
forum.leasehackr.com

2021 Toyota 4runner Forum For Sale Gas Mileage Spirotours Com
spirotours.com

2021 Toyota 4runner Review Pricing And Specs
www.caranddriver.com

Wtb Toyota 4runner Limited 20 Wheels Florida Or Ship Toyota Nation Forum
www.toyotanation.com

Diagram 98 4runner Limited Wiring Diagram Full Version Hd Quality Wiring Diagram Kitprogschematic8127 Beautywell It
kitprogschematic8127.beautywell.it

Lift Kit To Get Toyota 4runner Forum 4runners Com Top Car Release 2020
www.aquaticparasitologylab.org

2020 Lexus Gx460 A Better 4runner Or Just A Different 4runner
pickuptrucktalk.com

Picked Up A 2019 Nightshade 4wd Toyota 4runner Forum Largest 4runner Forum
www.toyota-4runner.org

Toyota Winch Bumpers Page 4 Toyota 4runner Forum Largest 4runner Forum 4runner Toyota 4runner 3rd Gen 4runner
www.pinterest.de

Key Reasons The 2020 Toyota 4runner Nightshade Is Incredible Torque News
www.torquenews.com

My Simple Trd Orp Build Toyota 4runner Forum 4runners Com
www.4runners.com

Lift Kit To Get Toyota 4runner Forum 4runners Com Top Car Release 2020
www.aquaticparasitologylab.org

5th Gen Wheel Tire Thread Page 7 Toyota 4runner Forum Largest 4runner Forum Toyota 4runner Trd Toyota 4runner Sr5 Toyota Suv
www.pinterest.com

2000 Toyota 4runner Limited Toyota Fj Cruiser Forum
www.fjcruiserforums.com

What Tires Should I Buy For My Toyota 4runner Discount Tire
www.discounttire.com

The Most Common Toyota 4runner Complaints After 100 000 Miles
www.motorbiscuit.com

close