Toyota 4runner Body Parts Diagram

P0456 Toyota 4runner

Code P0456 When Its Not The Gas Cap Toyota 4runner Forum Largest 4runner Forum
www.toyota-4runner.org

Gas Cap Won T Stay Tight Page 2 Toyota 4runner Forum Largest 4runner Forum
www.toyota-4runner.org

2007 Toyota 4runner Sport 6c P0455 And P0441 Just Did A Read This Morning When Lights Came On The Goal Is To Fix By
www.justanswer.com

P0455 Toyota Evap System Gross Leak Detected
www.autocodes.com

Check Engine Light For Evap Page 2 Tacoma World
www.tacomaworld.com

P0456 Toyota Code Meaning Causes Symptoms Tech Notes With Video
www.engine-codes.com

Evap canister purge valve the most common culprit with the p0442 trouble code and the toyota 4runner is going to be the vapor canister purge valve.

P0456 toyota 4runner. P0456 code will typically not be accompanied by any noticeable symptoms other than the smell of gas and the service engine soon light. 10 the cost of diagnosing the p0456 toyota code is 10 hour of labor. If there is a large leak itll throw p0455.

The evaporative emission control evap system in your toyota prevents fuel vapors from escaping into the atmosphere. 2003 2004 toyota 4runner 2003 2004 toyota tundra 2004 toyota camry 2004 toyota sienna 2004 toyota highlander 2004 toyota solara toyota factory service bulletin obdii code p0456. One of the most common trouble codes with the toyota 4runner is the p0455 code.

The auto repair labor rates vary by location. The auto repair. What is the cost to diagnose the p0456 toyota code labor.

P0446 indicates that there is a fault in the evaporative emission control system. P0455 indicates that there is a large leak in the evaporative emission control system evap. Toyota code p0456 meaning.

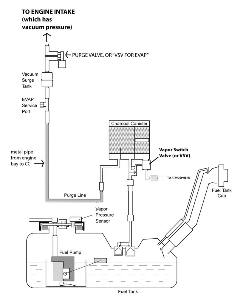
This trouble code references a number that is given to you when you plug your 4runner into a obd2 scanner and has to do with the emissions system. When there is a small leak in the toyota 4runners evap system it will throw the p0456 obdii code. The fuel vapors from the fuel tank are absorbed and stored by charcoal pellets in the charcoal canister.

Toyota code p0456 definition. It often appears with other codes such as p0420 p0441 or p0440. Toyota 4runner p0442 causes.

10 the cost of diagnosing the p0455 toyota code is 10 hour of labor. The most common problem is far and away the first one listed below. Toyota 4runner p0456 obdii code symptoms.

There are many things that can cause the p0442 trouble code on the toyota 4runner. 2003 2004 toyota 4runner 2003 2004 toyota tundra 2004 toyota camry 2004 toyota sienna 2004 toyota highlander 2004 toyota solara. Cost of diagnosing the p0455 toyota code labor.

Cost of diagnosing the p0456 toyota code labor. When it goes. A very common trouble code with the toyota 4runner is the p0446 code.

The auto repair labor rates vary by location your vehicles make and. 10 the cost to diagnose the p0456 toyota code is 10 hour of labor.

Toyota 4runner 2007 1gr Fe Fix Car Talk Nigeria
www.nairaland.com

Toyota P0456 Meaning Causes Symptoms Fixes Fixd Automotive
www.fixdapp.com

Gladiator Toyota 4runner Join Forces In Overlanding Canada Trip
www.jk-forum.com

Gladiator Toyota 4runner Join Forces In Overlanding Canada Trip
www.jk-forum.com

How To Fix Your Toyota Evap P0446 P0442 P0440 Check Engine Code Problem For Less Than A Million Dollars
www.findonefindall.com

Check Engine Light Archives Diy Auto Repair Videos
flatratemechanic.com

Jeep Jk Evap Error Fixes Found Page 4 Jeep Wrangler Forum
www.wranglerforum.com

2006 Toyota 4runner Sport Edition 4x4 V6 Overview Toyota Buyers Guide
www.theautochannel.com

2006 Matrix Xr Valve Cover Toyota Nation Forum
www.toyotanation.com

Check Engine Light Vsc Trac And Vsc Off All On Page 4 Toyota 4runner Forum Largest 4runner Forum
www.toyota-4runner.org

2005 Toyota 4runner Repairs And Problem Descriptions At Truedelta
www.truedelta.com

Gladiator Toyota 4runner Join Forces In Overlanding Canada Trip
www.jk-forum.com

Toyota 4runner 2007 1gr Fe Fix Car Talk 2 Nigeria
www.nairaland.com

150k Mi 4th Gen 4runner Maintenance Toyota 4runner Forum Largest 4runner Forum
www.toyota-4runner.org

Toyota 4runner Problems And Common Complaints Toyota Parts Center Blog
parts.olathetoyota.com

4k9nlc4rw1jbem

Oshibki P0455 I P0441 Prichina I Ustranenie Toyota 4runner 4 0 L 2004 Goda Na Drive2
www.drive2.ru

Quick Fix Of Check Engine Light Due To Code P0456 On 2003 Toyota Tundra Youtube
www.youtube.com

Amazon Com Gas Cap Fuel Cap Replace 77300 33070 7730033070 Compatible With Toyota 4runner Avalon Camry Corolla Highlander Matrix Sequoia Sienna Solara Tacoma Tundra Gx470 Es330 Es300 More Automotive
www.amazon.com

Toyota Solutions P043e P043f P0441 P0455 P2401 P2402 P2419 Dtc S On 2011 Toyota Tundra
toyota-solutions.blogspot.com

C1223 Toyota 4runner
highbeam.chadhz.com

Multiple Evap Codes And More Please Help Toyota 4runner Forum Largest 4runner Forum
www.toyota-4runner.org

Amazon Com Rkx Gas Cap Replacement Seal Compatible With Toyota Lexus Camry Corolla Avalon Tundra Automotive
www.amazon.com

Toyota Factory Service And Repair Manual 2007 4runner Updates
4runnerclub.com

P0455 Evaporative Emission Control System Leak Detected Large Leak
www.samarins.com

1
encrypted-tbn0.gstatic.com

2003 2008 Toyota 4runner Diy Repair Manual 23 By Carlota Granato Issuu
issuu.com

Solved P0441 P0455 P0456 Codes Evaporative Emission Control System Leak Bad Fuel Tank Cap Youtube
m.youtube.com

Toyota Verso P0456 Evap System Small Leak Drivetrain Resource
www.700r4transmissionhq.com

Solved Po442 Po456 Toyota Lexus Split Vacuum Line Youtube
m.youtube.com

Toyota 4runner Smog Locations Pcv Evap Canister Purge Youtube
www.youtube.com

Tacoruthes Supercharged Weekend Warrior Tacoma World
www.tacomaworld.com

P0456 Fixed Evap Small Leak Gas Cap Youtube
www.youtube.com

Toyota Solutions P043e P043f P0441 P0455 P2401 P2402 P2419 Dtc S On 2011 Toyota Tundra
toyota-solutions.blogspot.com

Code P0456 When Its Not The Gas Cap Toyota 4runner Forum Largest 4runner Forum
www.toyota-4runner.org

C1223 Toyota 4runner
highbeam.chadhz.com

Vsc Trac Abs And Check Engine Toyota 4runner Forum 4runners Com
www.4runners.com

P0441 Toyota
manager.spenitt.com

Nw57wzftf6trcm

Gas Cap Won T Stay Tight Page 2 Toyota 4runner Forum Largest 4runner Forum
www.toyota-4runner.org

Craigslist 2006 Toyota Land Cruiser Non Ahc Fort Worth Tx Ih8mud Forum
forum.ih8mud.com

2005 Toyota Corolla 1zz Fe Engine P0441 P0445 P0446 Evap Codes By Harvey Spooner
cyberspaceandtime.com

Multiple Evap Codes And More Please Help Toyota 4runner Forum Largest 4runner Forum
www.toyota-4runner.org

I Have Error Code Po445 And Po441 This Is An Evac Error I Guess What Is A Likely Item I Need To Check
www.justanswer.com

Vsc Off Vsc Trac Cel Lights On Solved Ih8mud Forum
forum.ih8mud.com

P0446 P0440 P0441 Obd Codes Com
www.obd-codes.com

Em 7423 Diagrams As Well 2000 Ford F 150 Code P1451 On 2001 Ford F 150 Fuel Free Diagram
coun.boapu.mohammedshrine.org

P0442 Evaporative Emission Control System Leak How To Fix Gas Cap Has Been Replaced Passed Test
www.justanswer.com

How To Fix Your Toyota Evap P0446 P0442 P0440 Check Engine Code Problem For Less Than A Million Dollars
www.findonefindall.com

C1223 Toyota 4runner
highbeam.chadhz.com

2009 Toyota 4runner Repairs And Problem Descriptions At Truedelta
www.truedelta.com

Code P0456 When Its Not The Gas Cap Toyota 4runner Forum Largest 4runner Forum
www.toyota-4runner.org

Toyota 4runner P0456 Evap System Small Leak Drivetrain Resource
www.700r4transmissionhq.com

2017 Toyota 4runner Mt Airy Westminster Skysville Germantown Frederick Md 33566a Youtube
www.youtube.com

Toyota 4runner Problems And Common Complaints Toyota Parts Center Blog
parts.olathetoyota.com

Toyota Archives Cillis Car Care
cilliscarcare.com

Zb 5822 Evap System Diagram On 99 Honda Accord Engine Diagram Fuel Lines Wiring Diagram
nerve.scata.alypt.joami.exmet.mohammedshrine.org

215 Oshibku P0456 Sistema Evap Stranica 3 Teh Voprosy 4runner I Hilux 4go I 5go Pokoleniya Landsruiser Prado 12x 150 Lexus Gx Fj Cruiser Forumy Land Cruiser Ru
www.land-cruiser.ru

C1223 Toyota 4runner
highbeam.chadhz.com

Toyota 4runner 2007 1gr Fe Fix Car Talk 2 Nigeria
www.nairaland.com

Toyota 4runner 2007 1gr Fe Fix Car Talk 2 Nigeria
www.nairaland.com

P0442 P0456 Toyota Highlander Youtube
www.youtube.com

Toyota 4runner Problems And Common Complaints Toyota Parts Center Blog
parts.olathetoyota.com

Toyota Highlander Questions What Causes Check Engine And Vsc Lights To Come On Cargurus
www.cargurus.com

Jg7jy1t7al04qm

Code P0456 When Its Not The Gas Cap Toyota 4runner Forum Largest 4runner Forum
www.toyota-4runner.org

P0456 Toyota Evap Control System Leak Detected Very Small Leak With Video
www.autocodes.com

P0456 Toyota Code Meaning Causes Symptoms Tech Notes With Video
www.engine-codes.com

Code P0456 Toyota Fj Cruiser Forum
www.fjcruiserforums.com

P0441 Toyota
manager.spenitt.com

Https Encrypted Tbn0 Gstatic Com Images Q Tbn 3aand9gctyg Vxyvpcsfojnptd629p5gptkce6zp3v8kchsqvtaeizak6b Usqp Cau
encrypted-tbn0.gstatic.com

Jeep Jk Evap Error Fixes Found Page 4 Jeep Wrangler Forum
www.wranglerforum.com

Another Possible Cheap Fix Fix For Codes P0441 P0455 P0456 Toyota 4runner Forum Largest 4runner Forum
www.toyota-4runner.org

P0446 Error Code Question Tacoma World
www.tacomaworld.com

Toyota 4runner P0455 P0411 P0456 Youtube
www.youtube.com

Evap Service Port Location Tacoma World
www.tacomaworld.com

Https Encrypted Tbn0 Gstatic Com Images Q Tbn 3aand9gctqiahpo2gjpseetoiznchj4zgnchvd7ercyi0lgkpn2hnux7aa Usqp Cau
encrypted-tbn0.gstatic.com

Fuel Tank Gas Cap Assembly 77300 33070 10839 Fits Lexus Es300 Es330 Gs350 Gs430 Gx470 Rx330 Toyota 4runner Avalon Camry Corolla Highlander Prius Sequoia Sienna Solara Tacoma Tundra Amazon In Car Motorbike
www.amazon.in

2004 Toyota 4runner Limited 4x2 Overview Toyota Buyers Guide
www.theautochannel.com

Code P0456 P0441 Toyota Tacoma Youtube
www.youtube.com

05 4 7 V8 Has Intermittent Extended Crank Time On Cold Hot Starts Toyota 4runner Forum Largest 4runner Forum
www.toyota-4runner.org

P0445 Toyota
store.impulsetotalfitness.net

Multiple Evap Codes And More Please Help Toyota 4runner Forum Largest 4runner Forum
www.toyota-4runner.org

Toyota Solutions P043e P043f P0441 P0455 P2401 P2402 P2419 Dtc S On 2011 Toyota Tundra
toyota-solutions.blogspot.com

Fuel Tank Gas Cap Assembly 77300 06040 10834 31832 Fits Toyota 4runner Avalon Camry Corolla Highlander
www.amazon.in

C1223 Toyota 4runner
highbeam.chadhz.com

How To Diagnose P0456 Error Toyota Nation Forum
www.toyotanation.com

2006 Toyota 4runner Hudson S Import Service
hudsonsimport.com

Check Engine Light For Evap Page 2 Tacoma World
www.tacomaworld.com

Multiple Evap Codes And More Please Help Toyota 4runner Forum Largest 4runner Forum
www.toyota-4runner.org

Pjovkvgbs40djm

P0456 Toyota Code Meaning Causes Symptoms Tech Notes With Video
www.engine-codes.com

Check Fuel Cap Light P0442 Small Evap Leak Auto Repair Repair Videos Auto Body Repair
www.pinterest.com

Code P0456 When Its Not The Gas Cap Toyota 4runner Forum Largest 4runner Forum
www.toyota-4runner.org

Va9voxkpeyy5rm

Vsc Trac Abs And Check Engine Toyota 4runner Forum 4runners Com
www.4runners.com

Toyota 4runner 2007 1gr Fe Fix Car Talk Nigeria
www.nairaland.com

Https Encrypted Tbn0 Gstatic Com Images Q Tbn 3aand9gctstasc9mc9rgigejpsb5cbkxjehvwc8zdfazdy8x0qt8au9bdt Usqp Cau
encrypted-tbn0.gstatic.com

close